Atacado Purificador úmido de placa de ciclone

  • Purificador úmido de placa de ciclone

Purificador úmido de placa de ciclone

A torre do purificador de ciclone normalmente apresenta um corpo de torre cilíndrico equipado com placas defletoras em espiral. Durante a operação, o gás de combustão entra tangencialmente pela parte inferior da torre e flui para cima. Guiado pelas lâminas das placas defletoras, o gás espirala para cima, atomizando o líquido que flui pelas placas em gotículas finas. Isto cria uma grande área de contato gás-líquido. As gotículas são transportadas pela corrente de gás e giram, gerando força centrífuga que aumenta a interação gás-líquido. Eventualmente, as gotículas são lançadas na parede da torre, fluem para baixo ao longo da parede até a próxima placa defletora e são reatomizadas pela corrente de gás para contato posterior. Conforme descrito, o líquido alcança contato completo com o gás enquanto mantém uma separação eficaz – minimizando o arrastamento de névoa. A capacidade de carga gás-líquido deste sistema é mais que o dobro das placas defletoras convencionais.

As excelentes condições de contato gás-líquido da torre garantem a absorção eficiente de gases residuais por líquidos alcalinos. Além disso, a torre do lavador ciclone demonstra desempenho superior na remoção de poeira. As partículas de poeira no gás são capturadas pela névoa de água nas placas defletoras em espiral, e as partículas e gotículas lançadas na parede da torre pela força centrífuga também são removidas com eficácia. Como resultado, o gás que sai da torre carrega o mínimo de poeira e gotículas. A velocidade do vento da torre vazia varia entre 2,2–2,7 m/s.

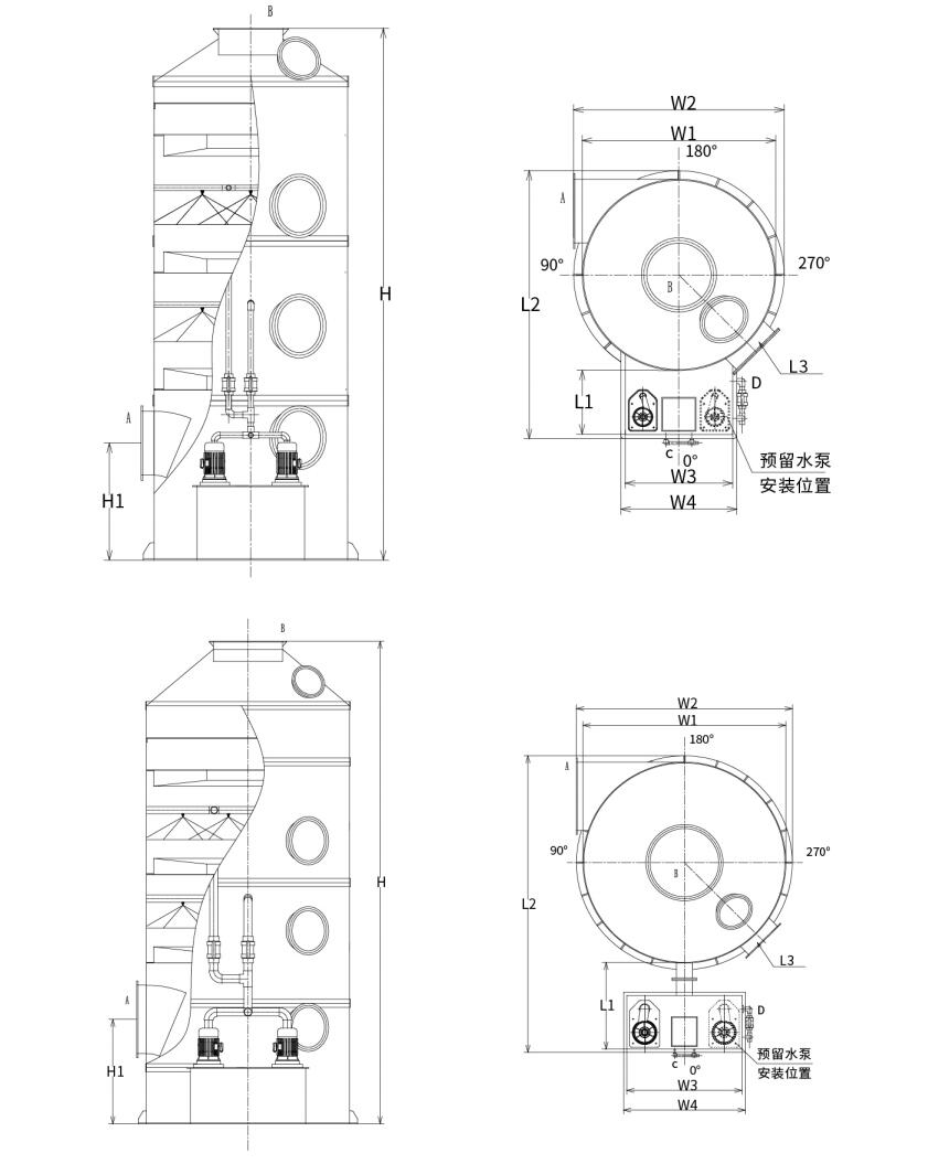
Estrutura da torre de pulverização giratória:
Conforme mostrado na figura: O sistema completo de lavagem por pulverização inclui os seguintes componentes:

● Corpo da torre em chapa de PP (polipropileno);

● Estrutura construída com defletores espirais em PP;

● Pulverizar tubos de ligação em UPVC (policloreto de vinila não plastificado);

● Bicos espirais em PP;

● Bomba de circulação em PP resistente à corrosão;

● Camada Demister (tipo malha/ciclone/defletor);

● Dispositivos manuais e automáticos de reabastecimento de água;

● Tubos de extravasamento e drenagem;

● Janela de inspeção.

Parâmetros de seleção da torre de placa ciclone:
Para garantir a conveniência e segurança do transporte, as torres de lavagem de ciclones PP são divididas em duas categorias de especificações:

Tipo 1: Lavador de ciclone de tanque de água integrado (diâmetro da torre: Φ1000mm-Φ2200mm)

Tipo 2: Lavador de ciclone de tanque de água tipo dividido (diâmetro da torre: Φ2500mm-Φ3500mm)


Modeloos de torres de lavagem ciclone correspondentes à capacidade de fluxo de ar:

Model Faixa de volume de ar Tamanho do dispositivo Potência da bomba de água Número de lâminas giratórias Faixa de velocidade do vento Material do equipamento
XL-600 0-2800m³/h Φ600×2950 0,75 kW 2 0-2,76m/s PP/304/Q235/FRP
XL-800 3800-5000m³/h Φ800×3300 0,75 kW 2 2,11-2,77m/s PP/304/Q235/FRP
XL-1000 6000-7500m³/h Φ1000×4380 1,5 kW 2 2,13-2,66m/s PP/304/Q235/FRP
XL-1200 8500-11000m³/h Φ1200×4430 2,2 kW 2 2,09-2,71m/s PP/304/Q235/FRP
XL-1500 14.000-17.000m³/h Φ1500×5000 3,75 kW 2 2,2-2,68m/s PP/304/Q235/FRP
XL-1800 20.000-25.000m³/h Φ1800×5650 5,5 kW 2 2,19-2,73m/s PP/304/Q235/FRP
XL-2000 25001-30000m³/h Φ2000×6200 5,5 kW 2 2,21-2,66m/s PP/304/Q235/FRP
XL-2200 30001-37000m³/h Φ2200×6700 7,5 kW 2 2,19-2,71m/s PP/304/Q235/FRP
XL-2500 40.000-47.000m³/h Φ2500×6850 7,5 kW 2 2,27-2,66m/s PP/304/Q235/FRP
XL-2800 49.000-58.000m³/h Φ2800×7900 11 kW 2 2,21-2,62m/s PP/304/Q235/FRP
XL-3000 58.000-68.000m³/h Φ3000×8000 11 kW 2 2,28-2,67m/s PP/304/Q235/FRP
XL-3200 68.000-78.000m³/h Φ3200×8000 15 kW 2 2,35-2,7m/s PP/304/Q235/FRP
XL-3500 78.000-88.000m³/h Φ3500×8000 15 kW 2 2,25-2,54m/s PP/304/Q235/FRP

Nota: Projetos fora do padrão podem ser feitos de acordo com as necessidades do cliente.

Diagrama de seleção:

Grupo Co. da proteção ambiental de Hangzhou Lvran, Ltd.

  • 1000+

    Clientes da unidade de serviço

  • 2000+

    Casos Nacionais de Engenharia

Hangzhou Lvran Environmental Protection Group Co., Ltd. é um fornecedor abrangente de serviços de engenharia de sistemas de tratamento de gases residuais e fabricante de equipamentos, integreo P&D, serviços técnicos, design, produção, instalação de engenharia e serviço pós-venda.

We are China Purificador úmido de placa de ciclone Suppliers and Wholesale Purificador úmido de placa de ciclone Exporter, Company. O Grupo é uma empresa nacional de alta tecnologia, uma empresa de ciência e tecnologia da província de Zhejiang, um centro regional de P&D e uma unidade de crédito com classificação AAA. Ela detém mais de 30 patentes de modelos de utilidade, inúmeras patentes de invenção e direitos autorais de software. O Grupo tem colaborações técnicas de P&D de longa data com universidades e instituições nacionais, incluindo o "Centro de P&D de Inovação Ambiental" estabelecido com a Universidade de Ciência e Tecnologia de Anhui e o "Centro de P&D de Novas Tecnologias Ambientais e Energia de Plasma" desenvolvido em conjunto com a Universidade de Ciência e Tecnologia de Zhejiang. O Grupo estabeleceu sua própria base de P&D e produção para colaboração técnica aprofundada. O Grupo possui tecnologia central de tratamento de gás VOC, possui qualificação de contratação geral de Nível 2 para construção de obras públicas municipais, licença de produção de segurança, qualificação de projeto especial Classe B para controle de poluição ambiental na província de Zhejiang, qualificações de serviços de mão de obra não classificadas e contratação especializada para projetos especiais. O Grupo é certificado pela ISO9001 para qualidade internacional, ISO14001 para gestão ambiental e ISO45001 para saúde e segurança ocupacional.

HONRA E CERTIFICADO

As seguintes homenagens representam nosso brilhantismo. Conquistamos clientes com produtos de alta qualidade e recebemos elogios do mercado e de todas as esferas da vida com bons serviços.

  • Uma unidade básica e reator de alto campo elétrico tipo placa para evitar vazamento ao longo da superfície
  • Um dispositivo de reação para sintetizar metanol usando dióxido de carbono e água e um método para sintetizar metanol usando dióxido de carbono e água
  • Precipitador eletrostático autolimpante
  • Um ventilador de alta pressão resistente à corrosão com função de ajuste da direção do vento
  • Um ventilador ajustável e autolimpante de alta capacidade
  • Sistema combinado de controle de pré-tratamento de gases de escape de gaseificação catalítica
  • Sistema de purificação e tratamento de gases de escape de campo eletrostático contínuo de limpeza a vapor
  • Sistema de equipamento de purificação de gases de escape de fotólise UV de plasma de baixa temperatura
  • Certificado de registro de marca
Notícias e eventos recentes
Compartilhe com você
Ver mais notícias