• Purificador Químico

Purificador Químico

O purificador químico é um filtro de lavagem avançado. Utiliza uma estrutura especial e uma grande área de superfície específica de embalagem regular como embalagem de transferência de massa e desidratação. Ao mesmo tempo, de acordo com os diferentes componentes causadores de odor no odor, o ácido, álcali e oxidante correspondentes são utilizados como líquido de lavagem de absorção para remover o odor do espaço e eliminar o impacto no ambiente circundante.

O fluxo de ar odorífero é transportado através do duto de ar e entra na torre pela entrada da torre. Depois de entrar na torre, ele passa pela camada de embalagem de baixo para cima e, finalmente, é descarregado da saída da tubulação no topo da torre através do ventilador anticorrosivo. A solução neutralizante passa pelo separador de líquido no topo da torre, é pulverizada uniformemente na camada de empacotamento, flui ao longo da superfície da camada de empacotamento até ser descarregada da parte inferior da torre através da tubulação e é circulada pela bomba de circulação anticorrosiva. À medida que a concentração de solutos no fluxo de ar ascendente torna-se cada vez menor, a função de purificação é alcançada quando atinge o topo da torre e é descarregada ou continua a ser purificada na próxima etapa. Pelo contrário, a concentração do meio no líquido descendente torna-se cada vez mais elevada, e atinge as condições do processo quando atinge o fundo da torre e é descarregado da torre.

Vantagens da torre de embalagem por spray: Possui alta eficiência, pequena capacidade de retenção de líquidos, peso leve e fácil operação, o que permite que os trabalhadores comecem imediatamente. O enchimento pode ser selecionado de acordo com as condições de trabalho fornecidas pelo cliente. Existem muitos tipos e geralmente são usados ​​anéis esféricos resistentes à corrosão. No entanto, deve-se notar que a matéria sólida em suspensão pode entupir o enchimento devido ao seu grande diâmetro de partícula, por isso geralmente não é adequado para o tratamento de matéria sólida. Por exemplo, NH₃, HCl, H₂S, óxidos de nitrogênio e gases residuais orgânicos gerados pelas fábricas podem ser tratados de forma eficaz com este equipamento.

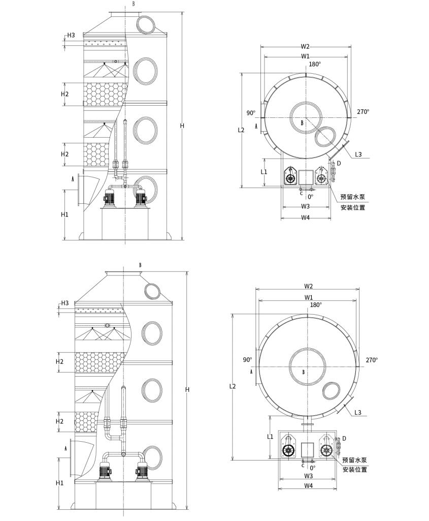
Estrutura do purificador químico:
Conforme mostrado na figura: O sistema completo de lavagem por pulverização inclui os seguintes componentes:

1. Corpo da torre em chapas de PP (polipropileno);

2. Estrutura de suporte da embalagem feita de painéis de grade PP;

3. Tubos de conexão em spray feitos de UPVC;

4. Bicos espirais PP;

5. Embalagem de esfera oca ou anel Pall;

6. Bomba de circulação PP resistente à corrosão;

7. Camada desembaçadora de malha;

8. Dispositivos manuais e automáticos de reabastecimento de água;

9. Tubos de transbordamento e drenagem;

10. Janela de inspeção.

Seleção de purificador químico:
Tabela de parâmetros técnicos do purificador de spray embalado

Para garantir comodidade e segurança no transporte, os lavadores em spray embalados em PP são divididos em dois tipos:

Tipo 1: Lavador de spray embalado com tanque de água integrado (diâmetro da torre: Φ1000mm-Φ2200mm)

Tipo 2: Lavador de spray embalado com tanque de água tipo dividido (diâmetro da torre: Φ2500mm-Φ3500mm)


Especificações do modelo correspondentes à capacidade de fluxo de ar:

Modelo Volume de ar Tamanho do dispositivo Potência da bomba de água Espessura de enchimento Velocidade do vento Material do equipamento
LRTL-600 0-1500m³/h Φ600x3000 0,75 kW 500*2 1,48m/s PP/304/Q235/FRP
LRTL-800 1501-2500m³/h Φ800x3000 0,75 kW 500*2 1,39m/s PP/304/Q235/FRP
LRTL-1000 2501-4000m³/h Φ1000x5000 1,5 kW 500*2 1,42m/s PP/304/Q235/FRP
LRTL-1200 4001-6000m³/h Φ1200x5000 2,2 kW 500*2 1,48m/s PP/304/Q235/FRP
LRTL-1500 6001-9500m³/h Φ1500x5000 3,75 kW 500*2 1,5m/s PP/304/Q235/FRP
LRTL-1800 9501-14000m³/h Φ1800x5000 5,5 kW 500*2 1,53m/s PP/304/Q235/FRP
LRTL-2000 14001-17000m³/h Φ2000x6000 5,5 kW 500*2 1,5m/s PP/304/Q235/FRP
LRTL-2200 17001-20000m³/h Φ2200x6000 7,5 kW 500*2 1,46m/s PP/304/Q235/FRP
LRTL-2500 20001-27000m³/h Φ2500x6000 7,5 kW 500*2 1,53m/s PP/304/Q235/FRP
LRTL-2800 27001-33000m³/h Φ2800x6000 15 kW 500*2 1,49m/s PP/304/Q235/FRP
LRTL-3000 33001-38000m³/h Φ3000x6800 15 kW 500*2 1,49m/s PP/304/Q235/FRP
LRTL-3200 38001-44000m³/h Φ3200x6800 15 kW 500*2 1,52m/s PP/304/Q235/FRP
LRTL-3500 44001-55000m³/h Φ3500x6800 15 kW 500*2 1,5m/s PP/304/Q235/FRP

Nota: Projetos não padronizados podem ser personalizados de acordo com as necessidades do cliente.

Diagrama de seleção:

Grupo Co. da proteção ambiental de Hangzhou Lvran, Ltd.

  • 1000+

    Clientes da unidade de serviço

  • 2000+

    Casos Nacionais de Engenharia

Hangzhou Lvran Environmental Protection Group Co., Ltd. é um fornecedor abrangente de serviços de engenharia de sistemas de tratamento de gases residuais e fabricante de equipamentos, integreo P&D, serviços técnicos, design, produção, instalação de engenharia e serviço pós-venda.

We are China Purificador Químico Suppliers and Wholesale Purificador Químico Exporter, Company. O Grupo é uma empresa nacional de alta tecnologia, uma empresa de ciência e tecnologia da província de Zhejiang, um centro regional de P&D e uma unidade de crédito com classificação AAA. Ela detém mais de 30 patentes de modelos de utilidade, inúmeras patentes de invenção e direitos autorais de software. O Grupo tem colaborações técnicas de P&D de longa data com universidades e instituições nacionais, incluindo o "Centro de P&D de Inovação Ambiental" estabelecido com a Universidade de Ciência e Tecnologia de Anhui e o "Centro de P&D de Novas Tecnologias Ambientais e Energia de Plasma" desenvolvido em conjunto com a Universidade de Ciência e Tecnologia de Zhejiang. O Grupo estabeleceu sua própria base de P&D e produção para colaboração técnica aprofundada. O Grupo possui tecnologia central de tratamento de gás VOC, possui qualificação de contratação geral de Nível 2 para construção de obras públicas municipais, licença de produção de segurança, qualificação de projeto especial Classe B para controle de poluição ambiental na província de Zhejiang, qualificações de serviços de mão de obra não classificadas e contratação especializada para projetos especiais. O Grupo é certificado pela ISO9001 para qualidade internacional, ISO14001 para gestão ambiental e ISO45001 para saúde e segurança ocupacional.

HONRA E CERTIFICADO

As seguintes homenagens representam nosso brilhantismo. Conquistamos clientes com produtos de alta qualidade e recebemos elogios do mercado e de todas as esferas da vida com bons serviços.

  • Uma unidade básica e reator de alto campo elétrico tipo placa para evitar vazamento ao longo da superfície
  • Um dispositivo de reação para sintetizar metanol usando dióxido de carbono e água e um método para sintetizar metanol usando dióxido de carbono e água
  • Precipitador eletrostático autolimpante
  • Um ventilador de alta pressão resistente à corrosão com função de ajuste da direção do vento
  • Um ventilador ajustável e autolimpante de alta capacidade
  • Sistema combinado de controle de pré-tratamento de gases de escape de gaseificação catalítica
  • Sistema de purificação e tratamento de gases de escape de campo eletrostático contínuo de limpeza a vapor
  • Sistema de equipamento de purificação de gases de escape de fotólise UV de plasma de baixa temperatura
  • Certificado de registro de marca
Notícias e eventos recentes
Compartilhe com você
Ver mais notícias