Atacado Torre de pulverização de aço inoxidável 316L

CASA / PRODUTO / Equipamento de tratamento de gases residuais ácidos e alcalinos / Torre 304 embalada / Torre de pulverização de aço inoxidável 316L
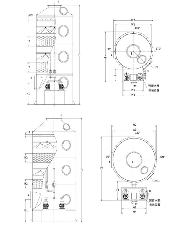
  • Torre de pulverização de aço inoxidável 316L
  • Torre de pulverização de aço inoxidável 316L
  • Torre de pulverização de aço inoxidável 316L
  • Torre de pulverização de aço inoxidável 316L
  • Torre de pulverização de aço inoxidável 316L
  • Torre de pulverização de aço inoxidável 316L

Torre de pulverização de aço inoxidável 316L

Princípio de funcionamento da torre de pulverização de aço inoxidável 316L e ambiente de gás aplicável

I. Princípio operacional (igual ao processo de torre PP/PPH, mas diferentes materiais e condições operacionais)
1. O gás de exaustão entra na torre tangencialmente, subindo através da seção de equalização até a seção de enchimento/pulverização;
2. Bicos 316L no topo da torre atomizam NaOH, H₂SO₄ ou outras soluções químicas em gotículas, que entram em contato em contracorrente com o gás;
3. Um filme líquido se forma na superfície do anel Pall 316L ou da gaxeta do anel escalonado, removendo poluentes por meio de absorção, dissolução, neutralização ou reações redox;
4. O gás purificado contendo gotículas continua através de uma tela de arame 316L ou desumidificador defletor, onde é desidratado e descarregado em condições padrão;
5. O líquido residual é coletado em um tanque de circulação de 316L na parte inferior da torre. Após dosagem e filtração automáticas, ele é reciclado por uma bomba 316L até atender aos padrões de descarga ou ser terceirizado para tratamento.

2. Vantagens do material 316L
• Contém 23% de Mo, oferecendo resistência 30% maior à corrosão por pites e frestas de Cl⁻ do que 304;
• Pode suportar uso prolongado em gases de exaustão de alta temperatura entre 80-150°C sem deformação ou envelhecimento;
• Elevada resistência mecânica, capaz de suportar flutuações de pressão superiores a ±5 kPa, tornando-o adequado para sistemas de tiragem induzida por alta pressão.

III. Ambientes Típicos de Gás Aplicáveis
| Indústria | Exemplos de meios de gás | Recursos |
| Química/Farmacêutica | HCl, Cl₂, SO₂, HF, H₂S | Alta concentração, altamente corrosivo, contendo halogéneo |
| Galvanoplastia/Decapagem | Névoa de ácido crômico, cianeto de hidrogênio, névoa de ácido nítrico | Contém íons de metais pesados, altamente oxidantes |
| Incineração de Resíduos | Mistura gasosa HCl SO₂ HF, precursores de dioxinas | Alta temperatura, alta umidade, composição complexa |
| Metalurgia/Eletrônica | NOₓ, amônia, silano, fosfina | Pós contendo flúor e silício e ácidos e álcalis fortes |
| Laboratório | Gases de escape mistos ácido-base, vapores de solventes orgânicos | Grandes flutuações de concentração, emissões intermitentes |

4. Comparação com seleção de torre PP/PPH
• Temperatura > 60°C ou contendo flúor ou íons com alto teor de cloreto → Selecione 316L;
• Contendo ácido fluorídrico ou ácido sulfúrico concentrado em alta temperatura → Upgrade para 904L ou Hastelloy;
• Para projetos com ácidos e álcalis fracos em temperatura ambiente ou sensíveis ao custo, escolha PP/PPH.

A torre de pulverização de aço inoxidável 316L utiliza um mecanismo de transferência de massa de embalagem de pulverização em contracorrente, mantendo uma eficiência de purificação de ≥95% e uma vida útil de mais de dez anos, mesmo em cenários de alta temperatura, alto teor de cloreto, altamente oxidante ou altamente redutor de gases residuais. É a escolha preferida para o tratamento de gases residuais corrosivos em indústrias como química, galvanoplastia e incineração de resíduos.

Seleção de purificador químico
Tabela de especificações técnicas para purificadores em spray embalados
Para conveniência e segurança no transporte, os lavadores em spray embalados em PP são categorizados em dois tipos:
Tipo 1: Purificador de pulverização embalado em tanque integrado (diâmetro da torre: Φ1000mm–Φ2200mm)
Tipo 2: Lavador de spray embalado com tanque de água tipo dividido (diâmetro da torre: Φ2500mm – Φ3500mm)
Modeloos correspondentes de capacidade de fluxo de ar para torres compactadas:

Model Capacidade de fluxo de ar (m³/h) Dimensões do Equipamento Potência da bomba Espessura da embalagem Velocidade do vento Material do Equipamento
LRTL-600 0 - 1500m³/h Φ600×3000 0,75 kW 500*2 1,48m/s PP/304/Q235/FRP
LRTL-800 1501 - 2500m³/h Φ800×3000 0,75 kW 500*2 1,39m/s PP/304/Q235/FRP
LRTL-1000 2501 - 4000m³/h Φ1000×5000 1,5 kW 500*2 1,42m/s PP/304/Q235/FRP
LRTL-1200 4001 - 6000m³/h Φ1200×5000 2,2 kW 500*2 1,48m/s PP/304/Q235/FRP
LRTL-1500 6001 - 9500m³/h Φ1500×5000 3,75 kW 500*2 1,5m/s PP/304/Q235/FRP
LRTL-1800 9501 - 14000m³/h Φ1800×5000 5,5 kW 500*2 1,53m/s PP/304/Q235/FRP
LRTL-2000 14001 - 17000m³/h Φ2000×6000 5,5 kW 500*2 1,5m/s PP/304/Q235/FRP
LRTL-2200 17001 - 20000m³/h Φ2200×6000 7,5 kW 500*2 1,46m/s PP/304/Q235/FRP
LRTL-2500 20.001 - 27.000m³/h Φ2500×6000 7,5 kW 500*2 1,53m/s PP/304/Q235/FRP
LRTL-2800 27001 - 33000m³/h Φ2800×6000 15 kW 500*2 1,49m/s PP/304/Q235/FRP
LRTL-3000 33001 - 38000m³/h Φ3000×6800 15 kW 500*2 1,49m/s PP/304/Q235/FRP
LRTL-3200 38001 - 44000m³/h Φ3200×6800 15 kW 500*2 1,52m/s PP/304/Q235/FRP
LRTL-3500 44001 - 55000m³/h Φ3500×6800 15 kW 500*2 1,5m/s PP/304/Q235/FRP

Nota: Projetos personalizados podem ser fornecidos mediante solicitação do cliente.

Diagrama de seleção:

Grupo Co. da proteção ambiental de Hangzhou Lvran, Ltd.

  • 1000+

    Clientes da unidade de serviço

  • 2000+

    Casos Nacionais de Engenharia

Hangzhou Lvran Environmental Protection Group Co., Ltd. é um fornecedor abrangente de serviços de engenharia de sistemas de tratamento de gases residuais e fabricante de equipamentos, integreo P&D, serviços técnicos, design, produção, instalação de engenharia e serviço pós-venda.

We are China Torre de pulverização de aço inoxidável 316L Suppliers and Wholesale Torre de pulverização de aço inoxidável 316L Exporter, Company. O Grupo é uma empresa nacional de alta tecnologia, uma empresa de ciência e tecnologia da província de Zhejiang, um centro regional de P&D e uma unidade de crédito com classificação AAA. Ela detém mais de 30 patentes de modelos de utilidade, inúmeras patentes de invenção e direitos autorais de software. O Grupo tem colaborações técnicas de P&D de longa data com universidades e instituições nacionais, incluindo o "Centro de P&D de Inovação Ambiental" estabelecido com a Universidade de Ciência e Tecnologia de Anhui e o "Centro de P&D de Novas Tecnologias Ambientais e Energia de Plasma" desenvolvido em conjunto com a Universidade de Ciência e Tecnologia de Zhejiang. O Grupo estabeleceu sua própria base de P&D e produção para colaboração técnica aprofundada. O Grupo possui tecnologia central de tratamento de gás VOC, possui qualificação de contratação geral de Nível 2 para construção de obras públicas municipais, licença de produção de segurança, qualificação de projeto especial Classe B para controle de poluição ambiental na província de Zhejiang, qualificações de serviços de mão de obra não classificadas e contratação especializada para projetos especiais. O Grupo é certificado pela ISO9001 para qualidade internacional, ISO14001 para gestão ambiental e ISO45001 para saúde e segurança ocupacional.

HONRA E CERTIFICADO

As seguintes homenagens representam nosso brilhantismo. Conquistamos clientes com produtos de alta qualidade e recebemos elogios do mercado e de todas as esferas da vida com bons serviços.

  • Uma unidade básica e reator de alto campo elétrico tipo placa para evitar vazamento ao longo da superfície
  • Um dispositivo de reação para sintetizar metanol usando dióxido de carbono e água e um método para sintetizar metanol usando dióxido de carbono e água
  • Precipitador eletrostático autolimpante
  • Um ventilador de alta pressão resistente à corrosão com função de ajuste da direção do vento
  • Um ventilador ajustável e autolimpante de alta capacidade
  • Sistema combinado de controle de pré-tratamento de gases de escape de gaseificação catalítica
  • Sistema de purificação e tratamento de gases de escape de campo eletrostático contínuo de limpeza a vapor
  • Sistema de equipamento de purificação de gases de escape de fotólise UV de plasma de baixa temperatura
  • Certificado de registro de marca
Notícias e eventos recentes
Compartilhe com você
Ver mais notícias